电脑桌面
添加签字123到电脑桌面
安装后可以在桌面快捷访问

外墙涂料工程施工工艺流程.doc

外墙涂料工程施工工艺流程.doc_第1页
1/2
外墙涂料工程施工工艺流程.doc_第2页
2/2
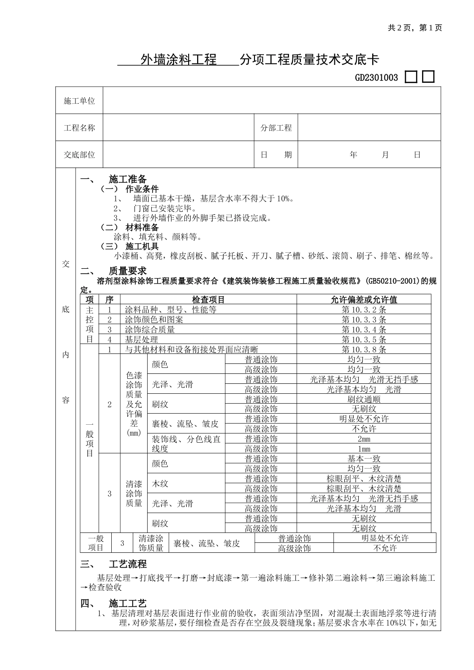
共 2 页,第 1 页 外墙涂料工程 分项工程质量技术交底卡GD2301003 施工单位工程名称分部工程交底部位日 期 年 月 日交底内容一、施工准备(一) 作业条件1、墙面已基本干燥,基层含水率不得大于 10%。2、门窗已安装完毕。3、进行外墙作业的外脚手架已搭设完成。(二) 材料准备涂料、填充料、颜料等。(三) 施工机具小漆桶、高凳,橡皮刮板、腻子托板、开刀、腻子槽、砂纸、滚筒、刷子、排笔、棉丝等。二、质量要求溶剂型涂料涂饰工程质量要求符合《建筑装饰装修工程施工质量验收规范》(GB50210-2001)的规定。项序检查项目允许偏差或允许值主控项目1涂料品种、型号、性能等第 10.3.2 条2涂饰颜色和图案第 10.3.3 条3涂饰综合质量第 10.3.4 条4基层处理第 10.3.5 条一般项目1与其他材料和设备衔接处界面应清晰第 10.3.8 条2色漆涂饰质量及允许偏差(mm)颜色普通涂饰均匀一致高级涂饰均匀一致光泽、光滑普通涂饰光泽基本均匀 光滑无挡手感高级涂饰光泽基本均匀 光滑刷纹普通涂饰刷纹通顺高级涂饰无刷纹裹棱、流坠、皱皮普通涂饰明显处不允许高级涂饰不允许装饰线、分色线直线度普通涂饰2mm高级涂饰1mm3清漆涂饰质量颜色普通涂饰基本一致高级涂饰均匀一致木纹普通涂饰棕眼刮平、木纹清楚高级涂饰棕眼刮平、木纹清楚光泽、光滑普通涂饰光泽基本均匀 光滑无挡手感高级涂饰光泽基本均匀 光滑刷纹普通涂饰无刷纹高级涂饰无刷纹一般项目3清漆涂饰质量裹棱、流坠、皱皮普通涂饰明显处不允许高级涂饰不允许三、工艺流程基层处理→打底找平→打磨→封底漆→第一遍涂料施工→修补第二遍涂料→第三遍涂料施工→检查验收四、施工工艺1、 基层清理对基层表面进行作业前的验收,表面须洁净坚固,对混凝土表面地浮浆等进行清理,对砂浆基层,要仔细检查是否存在空鼓及裂缝现象;基层要求含水率在 10%以下,如无共 2 页,第 2 页交底内容条件测试可用手感进行估测。潮气太大不能施工,必须待干后方可施工;对墙面的阴阳角、窗洞口的收口部位特别是阴阳角检查完成后要进行交接验收;将进行作业的所有门窗等采用塑料布以及其他方式进行防护,避免污染。2、 嵌缝对混凝土墙面出现裂缝,应先在裂缝部位刷一遍掺胶水泥浆,然后使用粘按石膏刮抹。3、 刮防水腻子找平。对混凝土墙面刮防水腻子找平,要求与基层粘结牢固,无分层空鼓现象,待干燥后用砂纸打磨,手感无杂质进行下一道工序。4、 封底漆。在干净的基层上,先喷涂(或滚涂)一遍封底漆,增加与基层的结合力,防止浮碱。5、 涂刷第一遍涂料。将桶内涂料用筛网进行过滤后喷涂第一遍,从上至下均匀地进行。 6、 防水腻子修补打磨。第一遍涂料完成后,再对墙面进行一次细致的防水腻子修补工作,主要是针对阴阳角和局部的坑凹部位。然后再用 300~400 目砂纸上下左右均匀打磨,手感效果良好即可。7、 第二遍涂抹。喷涂同第一遍。8、 第三遍涂抹。检查第二遍喷涂对墙面所出现的缺陷及时修改和处理,进行第三遍喷涂。9、 检查验收。对完成后的墙面涂料进行彻底的检查,重点检查阴阳角及门窗洞口无误后报验收。10、 涂料清理。将楼层内所有的涂料及防护采用的材料及时清理出现场,并将遗漏的涂料进行清理做好现场文明施工。五、成品保护1、 施涂时首先清理好周围环境,防止尘土飞扬而影响涂饰质量。2、 不得污染窗台、门窗玻璃等已完成的分项工程。3、 涂饰墙面完工后,要妥善保护,不得磕碰污染墙面。六、安全措施1、 所有工人应严格执行并遵守安全操作规程,加强职业健康安全意识,上架施工时佩戴个人防护用品。尤其注意要系好安全带。2、 外架使用前应对整个架体进行检查和检修,验收合格后方可使用。3、 在脚手架上施工,面砖及小型工具等应放在不易掉落的地方,以免高空落物伤人。4、 施工时不得出现立体交叉作业。专业技术负责人:交底人:接受人:

1、当您付费下载文档后,您只拥有了使用权限,并不意味着购买了版权,文档只能用于自身使用,不得用于其他商业用途(如 [转卖]进行直接盈利或[编辑后售卖]进行间接盈利)。
2、本站所有内容均由合作方或网友上传,本站不对文档的完整性、权威性及其观点立场正确性做任何保证或承诺!文档内容仅供研究参考,付费前请自行鉴别。
3、如文档内容存在违规,或者侵犯商业秘密、侵犯著作权等,请点击“违规举报”。

碎片内容

外墙涂料工程施工工艺流程.doc

确认删除?
vip会员
分享赚钱
搜索
关注微信
  • 签字123
回到顶部