电脑桌面
添加签字123到电脑桌面
安装后可以在桌面快捷访问

第六届花博会室外展场一区项目景观工程施工组织设计方案.doc

第六届花博会室外展场一区项目景观工程施工组织设计方案.doc_第1页
1/92
第六届花博会室外展场一区项目景观工程施工组织设计方案.doc_第2页
2/92
第六届花博会室外展场一区项目景观工程施工组织设计方案.doc_第3页
3/92
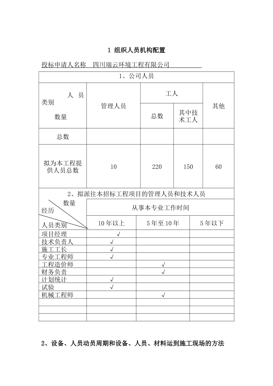
施工组织设计成都市温江区全国第六届花博会室外展场一区是由温计投资[2004]180 号文件批准建设是为迎接温江 2005 年举办全国型花博会所做的,关于我公司拟投标的 C 段总面积约为 38535 平方米,工程内容包括河岸改造、道路管网、绿化景观、小品建筑等,工期 150 天。全国第六届花博会室外展场一区项目景观工程,是成都市政府重点建设项目。所以我公司非常重视,项目的组建上由我公司总经理以及技术负责人、各职能部门组成的工作领导小组直接参与工程管理,继续推行“项目法施工管理”机制,实行项目经理责任制,委派具有实践经验且具备年轻化、系统化、知识化,具有施工过重点工程项目经理任该工程项目经理,另配备项目技术负责人、项目副经理、安装工长、土建工长、装饰工长、园艺师、预决算员、材料员、治安员、绿化工、现场电工等专业负责人员,分管各项专业工作。在公司的统一要求下,项目经理部做好精心组织、精心管理、精心施工、创一流品质,让业主满意。我公司已经具备健全的管理制度,公司针对该工程的特点和合同要求,对工程的施工工期、施工质量、安全生产、文明施工、成本核算下达定量的考核指标,并将定期进行考核,实行动态管理,以适应市场经济的要求,保证双方利益。1 组织人员机构配置投标申请人名称 四川瑞云环境工程有限公司 1、公司人员人 员类别数量 管理人员工人其他总数其中技术工人总数拟为本工程提供人员总数10220150602、拟派往本招标工程项目的管理人员和技术人员 数量经历人员类别从事本专业工作时间10 年以上5 年至 10 年5 年以下项目经理 √技术负责人√施工工长√专业工程师√工程造价师√财务负责√计划统计√试验√机械工程师√2、设备、人员动员周期和设备、人员、材料运到施工现场的方法A、设备、人员动员周期及施工准备a、在接到中标通知书之后,积极组织好人员,作好工程开工之前的动员工作及进场前有关的入场教育工作。确保设备、人员在接到监理工程师的开工令 2 天内就作好进场准备。开工后能正常进行工程施工。b、(1)熟悉和审查施工图纸,掌握设计意图,与设计单位会审,使设计的方案在质量、功能、艺术性等方面完全体现,为施工扫除障碍;(2)准备好土建材料、绿化材料、机具等;(3)劳动组织准备:专业技术人员和熟练的技术工人。(4)施工现场准备:确保施工现场水通、电通、道路通畅、场地清理;按消防要求,设置足够的消火栓。建造各类施工设施,如项目部、苗木假植地、料库等。B、设备、人员、材料运到施工现场的方法设备和人员用绿化工程车直接运到施工现场,材料运用苗圃自有车辆运达施工现场。3、各分部分项工程的完整的施工方案和工艺要求(1)、土方施工方案(a)研究和审查图纸检查图纸和资料是否齐全,核对平面尺寸和标高,图纸相互间有无错误和矛盾;掌握设计内容及各项技术要求,了解工程规模、特点、工程量和质量要求,熟悉土层地质、水文勘察;会审图纸,搞清建设场地范围与周围地下设施管线的关系,图纸相互间有无错误和冲突;研究好开挖或回填程序,明确各专业工序间的配合关系及施工工期要求;向参加施工的人员层层进行技术交底。(b)查勘施工现场摸清工程场地情况,收集施工需要的各项资料,包括施工场地地形、地貌、地质水文、河流、气象、运输道路、植被、邻近建筑物、地下基础、管线、电缆坑基、地面上施工范围内的障碍物和规程物状况,供水、供电、通讯情况,防洪排水系统等等,以便为施工规划和准备提供可靠的资料和数据。(c)编制施工方案研究制定现场场地整平、土方开挖施工方案;绘制施工总平面布置图和土方开挖图,确定开挖路线、顺序、范围、底板标高、边坡坡度、排水沟水平位置,以及挖去的土方堆放地点;提出需用施工机具、劳力、推广新技术计划;深开挖还应提出支护、边坡保护和降水方案。(d)平整施工场地按设计或施工要求、范围和标高平整场地,将土方弃到规定弃土区;对有利用价值的表土进行剥离和保存处理;凡在施工区域内,影响工程质量的软弱土层、淤泥、腐殖土、大卵石、孤石、垃圾、树根、草皮以及不宜作填土料的稻田湿土、冻土等应分别情况采取全部挖除或设排...

1、当您付费下载文档后,您只拥有了使用权限,并不意味着购买了版权,文档只能用于自身使用,不得用于其他商业用途(如 [转卖]进行直接盈利或[编辑后售卖]进行间接盈利)。
2、本站所有内容均由合作方或网友上传,本站不对文档的完整性、权威性及其观点立场正确性做任何保证或承诺!文档内容仅供研究参考,付费前请自行鉴别。
3、如文档内容存在违规,或者侵犯商业秘密、侵犯著作权等,请点击“违规举报”。

碎片内容

第六届花博会室外展场一区项目景观工程施工组织设计方案.doc

确认删除?
vip会员
分享赚钱
搜索
关注微信
  • 签字123
回到顶部