电脑桌面
添加签字123到电脑桌面
安装后可以在桌面快捷访问

地下改性沥青油毡(SBS)防水层施工工艺.doc

地下改性沥青油毡(SBS)防水层施工工艺.doc_第1页
1/4
地下改性沥青油毡(SBS)防水层施工工艺.doc_第2页
2/4
地下改性沥青油毡(SBS)防水层施工工艺.doc_第3页
3/4
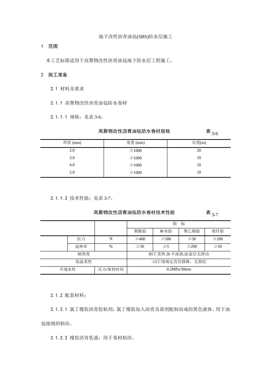
地下改性沥青油毡(SBS)防水层施工1 范围 本工艺标准适用于高聚物改性沥青油毡地下防水层工程施工。2 施工准备 2.1 材料及要求 2.1.1 高聚物改性沥青油毡防水卷材 2.1.1.1 规格:见表 3-6。 高聚物改性沥青油毡防水卷材规格 表 3-6厚度 (mm)宽度 (mm)长度(m)2.0≥1000203.0≥1000104.0≥1000105.0≥100010 2.1.1.2 技术性能:见表 3-7。 高聚物改性沥青油毡防水卷材技术性能 表 3-7指 标聚酯胎麻布胎聚乙烯胎坡纤胎拉力N≥400≥500≥50≥200延伸率%≥30≥5≥200≥50耐热度85℃受热 2h 不流淌,涂盖层无滑动低温柔性-15℃绕规定直径圆棒,无裂纹不透水性压力/保持时间0.2MPa/30min 2.1.2 配套材料: 2.1.2.1 氯丁橡胶沥青胶粘剂:氯丁橡胶加入沥青及溶剂配制而成的黑色液体。用于油毡接缝的粘结。 2.1.2.2 橡胶沥青乳液:用于卷材粘结。 2.1.2.3 橡胶沥青嵌缝膏:用于特殊部位、管根、变形缝等处的嵌固密封。 2.1.2.4 汽油、二甲苯等:用于清洗工具及污染部位。 2.2 主要用具: 2.2.1 清理用具:高压吹风机、小平铲、笤帚。 2.2.2 操作工具、电动搅拌器、油毛刷、铁桶、汽油喷灯或专用火焰喷枪、压子、手持压滚、铁辊、剪刀、量尺、1500mmφ30 管(铁、塑料)、划(放)线用品。 2.3 作业条件: 2.3.1 施工前审核图纸,编制防水工程施工方案,并进行技术交底。地下防水工程必须由专业队施工,操作人员持证上岗。 2.3.2 铺贴防水层的基层必须按设计施工完毕,并经养护后干燥,含水率不大于 9%;基层应平整、牢固、不空鼓开裂、不起砂。 2.3.3 防水层施工涂底胶前(冷底子油),应将基层表面清理干净。 2.3.4 施工用材料均为易燃,因而应准备好相应的消防器材。3 操作工艺 3.1 工艺流程:基层清理→涂刷基层处理剂→铺贴附加层→热熔铺贴卷材→热熔封边→做保护层 3.2 基层清理:施工前将验收合格的基层清理干净。 3.3 涂刷基层处理剂:在基层表面满刷一道用汽油稀释的氯丁橡胶沥青胶粘剂,涂刷应均匀,不透底。 3.4 铺贴附加层:管根、阴阳角部位加铺一层卷材。按规范及设计要求将卷材裁成相应的形状进行铺贴。 3.5 铺贴卷材:将改性沥青防水卷材按铺贴长度进行裁剪并卷好备用,操作时将已卷好的卷材,用 φ30 的管穿入卷心,卷材端头比齐开始铺的起点,点燃汽油喷灯或专用火焰喷枪,加热基层与卷材交接处,喷枪距加热面保持 300mm 左右的距离,往返喷烤、观察当卷材的沥青刚刚熔化时,手扶管心两端向前缓缓滚动铺设,要求用力均匀、不窝气,铺设压边宽度应掌握好,满贴法搭接宽度为 80mm,条粘法搭接宽度为 100mm。 3.6 热熔封边:卷材搭接缝处用喷枪加热,压合至边缘挤出沥青粘牢。卷材末端收头用沥青嵌缝膏嵌固填实。 3.7 保护层施工:平面做水泥砂浆或细石混凝土保护层;立面防水层施工完,应及时稀撒石碴后抹水泥砂浆保护层。4 质量标准 4.1 保证项目 4.1.1 高聚物改性沥青防水卷材和胶粘剂的规格、性能、配合比必须按设计和有关标准采用,应有合格的出厂证明。 4.1.2 卷材防水层特殊部位的细部作法,必须符合设计要求和施工及验收规范的规定。 4.1.3 防水层严禁有破损和渗漏现象。 4.2 基本项目: 4.2.1 基层应平整,无空鼓、起砂,阴阳角应呈圆弧形或钝角。 4.2.2 改性沥青胶粘剂涂刷应均匀,不得有漏刷、透底和麻点等现象。 4.2.3 卷材防水铺附加层的宽度应符合规范要求;分层的接头搭接宽度应符合规范的规定,收头应嵌牢固。 4.2.4 卷材粘结应牢固,无空鼓、损伤、滑移翘边、起泡、皱折等缺陷。5 成品保护 5.1 地下卷材防水层部位预埋的管道,在施工中不得碰损和堵塞杂物。 5.2 卷材防水层铺贴完成后,应及时做好保护层,防止结构施工碰损防水层;外贴防水层施工完后,应按设计砌好防护墙。 5.3 卷材平面防水层施工,不得在防水层上放置材料及作为施工运输车道。6 应注意的质量问题 6.1 卷材搭接不良:接头搭接形式以及长边、短边的搭接宽度偏小,接头处的粘结不密实,接槎损坏、空鼓;施工操作中应按程序弹标准线,使与卷材规格相符,操作中齐线铺贴,使卷材接长边...

1、当您付费下载文档后,您只拥有了使用权限,并不意味着购买了版权,文档只能用于自身使用,不得用于其他商业用途(如 [转卖]进行直接盈利或[编辑后售卖]进行间接盈利)。
2、本站所有内容均由合作方或网友上传,本站不对文档的完整性、权威性及其观点立场正确性做任何保证或承诺!文档内容仅供研究参考,付费前请自行鉴别。
3、如文档内容存在违规,或者侵犯商业秘密、侵犯著作权等,请点击“违规举报”。

碎片内容

地下改性沥青油毡(SBS)防水层施工工艺.doc

确认删除?
vip会员
分享赚钱
搜索
关注微信
  • 签字123
回到顶部