电脑桌面
添加签字123到电脑桌面
安装后可以在桌面快捷访问

DLT1019-2006 电容式垂线坐标仪.pdf

DLT1019-2006 电容式垂线坐标仪.pdf_第1页
1/9
DLT1019-2006 电容式垂线坐标仪.pdf_第2页
2/9
DLT1019-2006 电容式垂线坐标仪.pdf_第3页
3/9
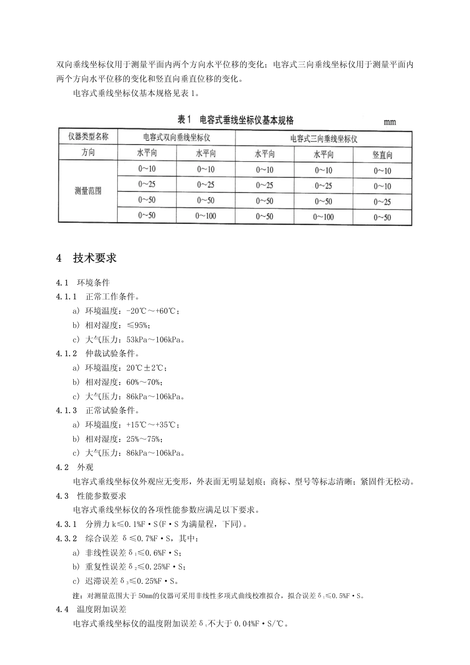
电容式垂线坐标仪 Capacitance coordinometer DL/T 1019—2006 前 言 本标准是根据《国家发展改革委办公厅关于印发 2005 年度行业标准项目计划通知》(发改办工业[2005]739 号)的要求制订的。 本标准附录 A 为规范性附录。 本标准由中国电力企业联合会提出。 本标准由电力行业大坝安全监测标准化技术委员会归口并负责解释。 本标准起草单位:国网南京自动化研究院。 本标准主要起草人:卢有清、吕刚、刘广林、刘观标、邹念椿、王梅枝、刘果、孙玉才。 1 范 围 本标准规定了电容式垂线坐标仪的分类与规格、技术要求、试验方法、检验规则和标志、包装、运输、贮存的要求。 本标准适用于大坝及岩土工程安全监测中用于测量位移的电容式垂线坐标仪。 2 规范性引用文件 下列文件中的条款通过本标准的引用而成为本标准的条款。凡是注日期的引用文件,其随后所有的修改单(不包括勘误的内容)或修订版均不适用于本标准。然而,鼓励根据本标准达成协议的各方研究是否可使用这些文件的最新版本。凡是不注日期的引用文件,其最新版本适用于本标准。 GB 191 包装储运图示标志 GB 6388 运输包装收发货标志 DL/T 948 混凝土坝监测仪器系列型谱 DL/T 5178 混凝土坝安全监测技术规范 DL/T 5211 大坝安全监测自动化技术规范 3 产品原理、分类与规格 3.1 产品原理 电容式垂线坐标仪根据变间隙型电容感应原理设计。当测点相对于垂线的位移发生变化时,利用比率测量技术,通过测量固定在垂线上的中间极与固定在测点处仪器内的某个方向的两平行极板间相对位置变化所引起的两电容的比值变化,将测点相对于垂线各方向的位移变化转换为电容比变化量输出。电容式垂线坐标仪原理及结构示意图见图 1。电容式垂线坐标仪的位移计算公式见附录 A。 电容式垂线坐标仪信号输出参数:电容比值。 电容式垂线坐标仪电容比输出范围:-0.8000~0.8000。 3.2 产品分类与规格 根据监测对象的不同,电容式垂线坐标仪分为双向垂线坐标仪和三向垂线坐标仪两种。电容式双向垂线坐标仪用于测量平面内两个方向水平位移的变化;电容式三向垂线坐标仪用于测量平面内两个方向水平位移的变化和竖直向垂直位移的变化。 电容式垂线坐标仪基本规格见表 1。 4 技术要求 4.1 环境条件 4.1.1 正常工作条件。 a) 环境温度:-20℃~+60℃; b) 相对湿度:≤95%; c) 大气压力:53kPa~106kPa。 4.1.2 仲裁试验条件。 a) 环境温度:20℃±2℃; b) 相对湿度:60%~70%; c) 大气压力:86kPa~106kPa。 4.1.3 正常试验条件。 a) 环境温度:+15℃~+35℃; b) 相对湿度:25%~75%; c) 大气压力:86kPa~106kPa。 4.2 外观 电容式垂线坐标仪外观应无变形,外表面无明显划痕;商标、型号等标志清晰;紧固件无松动。 4.3 性能参数要求 电容式垂线坐标仪的各项性能参数应满足以下要求。 4.3.1 分辨力 k≤0.1%F·S(F·S 为满量程,下同)。 4.3.2 综合误差 δ≤0.7%F·S,其中: a) 非线性误差δ1≤0.6%F·S; b) 重复性误差δ2≤0.25%F·S; c) 迟滞误差δ3≤0.25%F·S。 注:对测量范围大于 50mm的仪器可采用非线性多项式曲线校准拟合,拟合误差δ1≤0.5%F·S。 4.4 温度附加误差 电容式垂线坐标仪的温度附加误差δt不大于 0.04%F·S/℃。 4.5 湿度影响误差 电容式垂线坐标仪在 95%的湿度条件下应能正常工作,其附加误差δh不大于 0.5%F·S,且绝缘性能应满足 4.6 的要求。 4.6 绝缘性能 电容式垂线坐标仪感应极引线与屏蔽线之间的绝缘电阻应不小于 10MΩ。 4.7 稳定性 电容式垂线坐标仪在正常试验大气条件下的漂移量δd不大于0.5%F·S,且绝缘性能应满足4.6 的要求。 4.8 耐运输颠震性能 电容式垂线坐标仪在运输包装情况下,应能承受最大加速度为 5g、频率为 10Hz~55Hz、历时30min 的试验,其性能参数仍应满足 4.3 的要求,且外观符合 4.2 的要求。 电容式垂线坐标仪的技术要求除应满足上述指标外,还应符合 DL/T 948、DL/T 5178、DL/T 5211的有关要求。 5 试验方法 5.1 .

1、当您付费下载文档后,您只拥有了使用权限,并不意味着购买了版权,文档只能用于自身使用,不得用于其他商业用途(如 [转卖]进行直接盈利或[编辑后售卖]进行间接盈利)。
2、本站所有内容均由合作方或网友上传,本站不对文档的完整性、权威性及其观点立场正确性做任何保证或承诺!文档内容仅供研究参考,付费前请自行鉴别。
3、如文档内容存在违规,或者侵犯商业秘密、侵犯著作权等,请点击“违规举报”。

碎片内容

DLT1019-2006 电容式垂线坐标仪.pdf

确认删除?
vip会员
分享赚钱
搜索
关注微信
  • 签字123
回到顶部