GB 55030-2022新规解读:防水等级划分、材料选用与设计要点全解析
建筑防水新的规定已然开始实施,这些方面的变化直接关联到每一户家庭的居住安全性,跟旧有的规范相比较而言,新的标准在防水的等级方面,在材料选用方面,以及在施工要求方面都有着明显的提高,特别着重指出了关键的部位要采取更为严格的防水举措。
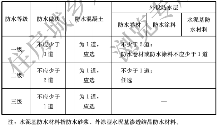
防水等级划分调整


新规把工程防水等级依据建筑类别以及使用环境来予以划分,不同等级对应着不一样的防水层数要求,比如说,一级防水工程得设置两道防水层,而且其中起码有一道必定是防水卷材或者防水涂料,以此来保证防水的可靠性 。

于住宅与公共建筑而言新规普遍将防水等级予以提高,往昔诸多建筑依二级防水设计仅需一道防水层,如今基本提升为一级,要求有两道防水层,这表明多数新建项目的防水标准被切实加强,防水混凝土的最低抗渗等级亦有显著提升。

防水材料选用要点

新规针对防水材料,对其厚度跟类型给出了明确要求,每一道防水层的最小厚度都得达到标准,特别是高分子防水卷材,它的厚度标准有了清晰界定,这能助力保证材料于实际使用里的耐久性与防水效果。
尽管部分旧规以及图集中的材料搭配方式当前仍旧能够供人参考,不过新规更加着重卷材与涂料的应用。于一级防水设计里而言,必定要涵盖一道卷材或者涂料,这样的做法能够有效填补单一材料有可能存在的缺陷,可以提升整体防水系统的稳定性。
平屋面防水加强
对于平屋面而言,其防水要求方面的变化特别地显著,在旧规里,一级防水是需要两道防水层的,而到了新规,这一数量增加到了三道,二级防水从原来的一个变成了需要两道,这样的一种调整致使平屋面的防水层数量普遍增多了,直接地强化了屋面的长期抗渗方面的能力。

在屋面天沟这一部位,对于封闭阳台顶板这类容易出现积水情况的地方,新规清晰明确了其防水等级应当和主体屋面保持一致。这就表明了,这些属于细节方面的部位同样必须运用相同标准的防水层数,以此来避免因为局部出现疏漏进而造成整体防水的效果失效。

外墙防水新要求
建筑外墙用以防水的各项举措已被进一步细致划分出来,着重是针对于诸如门窗洞口、雨篷以及变形缝这类节点所在的部位。新的规定明确指出,要依据防水等级来设定与之相对应的防水层,在其中,属于一级防水范畴内的框架填充墙或者砌体结构,必须设置两道以上的防水层 。

现浇混凝土外墙在一级防水状况下,需要至少具备一道防水层,装配式外墙于一级防水时,同样需至少存在一道防水层,而封闭式幕墙,那是必须得达到一级风水标准的。上述这些规定,强化了外墙的整体防水设计,特别是在高风压地区,或者是多雨地区,这种规定能够充分而有效地预防雨水出现渗透情况。
室内防水标准提升

室内防水要求也同样被予以强化,楼地面一级防水部位,于旧规而言,从一道防水层增加变为两道防水层,并且其中必定有一道是卷材或者涂料。如此这般,提升了卫生间、厨房等这类湿区的防水可靠程度,将漏水的风险予以降低。
原本旧规的淋浴区墙面防水层翻起高度是1800mm,现在提高到了2000mm,并且其高度不能低于淋浴喷头的高度,盥洗池周边墙面防水翻起高度明确规定为1200mm,这些关于细节处的调整能够更加贴合实际使用状况,从而增强了防水的实用性能。
蓄水工程防水原则

对于水池、水箱这类蓄水类工程,新规依据防水等级设定了内壁防水层要求。一级防水要有至少一道防水层,要是对水质存在卫生要求,还得在其外侧增加卷材、涂料或者水泥基防水材料。
这么些规定保障了处于长期使用阶段的蓄水设施具备密封性以及卫生安全,借由内外部双重防水设计,一方面能够防止出现渗漏情况,另一方面还可避免外部带来污染物侵入,它适宜应用于饮用水池或者医疗建筑当中。
您家于装修之际,可有去留意过防水层那具体涵盖的设计以及相应的材料挑选呢,欢迎于评论区去分享您所拥有的经验哟,要是觉着本文具备实用价值的话,请进行点赞给予支持并且转发给有需求的朋友呀!
声明:本站所有内容均由网友自主上传发布,内容的真实性、合法性及版权归属均由上传网友负责,本站仅提供信息展示与传播平台。如若本站内容侵犯了原著者的合法权益,可联系本站删除。 。




