施工现场安全隐患排查清单表,适用多类施工从业者及场景
工程项目顺利开展会受到施工现场安全这一底线的影响,然而隐患点量多,排查标准并非保持一致,常常会让那些管理人员为此变得头疼 。
文明施工是安全基础
现场防火对于人员生命以及财产有着直接关联,排查之际需查验是否制订了消防举措,灭火器有无依据区域足额配备且压力处于正常状况,生活区的食堂务必持有有效的卫生许可证,燃气罐应当单独存放于通风之处,与明火以及电气设备相互远离 。
必须重视生活设施的安全,宿舍里严禁私自拉接电线,禁止使用大功率电器。垃圾要分类,并且要及时清运,防止堆积引发火灾或者产生卫生问题。只有这些细节管理妥善,才能够从源头降低意外发生的可能性。
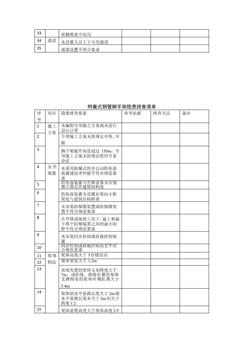
脚手架隐患不容忽视
脚手架的类别繁杂多样,每一种都存有特定的风险,对于扣件式钢管脚手架而言,要着重去检查立杆基础是不是坚实,扫地杆是否依照规定来设置,而悬挑脚手架的悬挑梁锚固务必牢固可靠,这乃是承载架体重量的关键所在 。
稳固架体之稳定以及防护脚手板乃是日常检查的关键核心所在,连墙的构件应当依据方案预先埋设且务必保证其牢固程度,以此来避免架体出现倾覆状况,脚手板应当完全铺满并且进行绑扎固定,在其外侧以及作业层的下方需要设置密目式的安全网,以此防止人员以及物料出现坠落情况 。
高处作业风险最高

吊篮进行作业时存在着很大的危险性,那么在排查的时候,首先要查看的就是专项施工方案是不是已经经过了审批。安全装置像上行程限位器、安全锁这些,必须得灵敏且有效才行。钢丝绳绝对不能有断丝、腐蚀或者严重变形的情况,而且它的固定端一定要牢固可靠。

处在高处进行作业的人员务必要正确地佩戴安全带,并且要保证安全带是高挂低用的状态。临边洞口得有可靠的防护栏杆或者盖板,防护设施拆除过后应当及时予以恢复。任何的疏忽都极有可能致使无法挽回之后果。

基坑施工防塌是关键

深基坑开展施工之前,必定得存在经专家论证通过的专项方案,临边防护务必要持续设置,其高度不得低于1.2米,以此避免人员出现坠入情况,支护结构需要定期对变形予以监测,一旦发现异常就得立刻采取相应措施。


坑边的荷载得严格去把控,那堆着的土以及材料务必得跟坑边维持安全的距离。降排水的系统要保证顺畅,避免雨水浸泡致使土体失去稳定。支护拆除要依照先支而后拆的原则,绝对禁止野蛮地进行施工。

模板支架稳定是重点

施工方案围绕模板支架展开,其中需对关键参数予以明确,像立杆间距以及步距等。立杆的基础要求平整且坚实,要是处于松软土质之上,那就得设置垫板或者混凝土基础。水平杆以及剪刀撑得依照规范去搭设,以此保证整体具备稳定性。

构建施工时应严格禁锢超出预设的承受数值,在进行混凝土灌注之际,要使物料分布均匀,防止局部出现负荷过重情况。当支架搭建完毕后,一定要历经查验验收方可开展混凝土 pouring 作业,拆除阶段亦需等待混凝土的强度涨到规定的达标指数 。

用电安全贯穿全过程

在建工程与外电线路之间,必须维持安全距离,若距离不足,那就应当设置绝缘隔离防护举措。全部电气设备,都必须实施接零保护,还要安装漏电保护器,以此保证在发生漏电情况时,能够快速切断电源。

配电线路需采用电缆或者绝缘导线,绝对禁止沿着地面进行明敷。配电箱与开关箱要分级来设置,达成“一机一闸一漏保”的要求,箱内接线要整齐,出线口要有护套,门锁要全面具备实效。

这么一份清单包含了施工现场差不多全部的安全检查关键要点,您身处实际工作之时,认为哪一种隐患相对最容易被人给轻易忽略掉,排查层面来讲最不容易呢?欢迎于评论区去分享您所拥有的经验,也请给予点赞进行支持,把这么一份具有实用性质的指南传递分享给更多的同行 。

声明:本站所有内容均由网友自主上传发布,内容的真实性、合法性及版权归属均由上传网友负责,本站仅提供信息展示与传播平台。如若本站内容侵犯了原著者的合法权益,可联系本站删除。 。




