悬挑脚手架搭设要求及与落地式脚手架的区别,一文给你讲清楚
在进行脚手架施工时,悬挑式与落地式存在着极为显著的差异,其中最大的不同之处在于,悬挑式的“根”乃是悬于空中的钢梁,而这一情况与整个架体的稳定以及安全直接相关联。今日,我们将要针对悬挑脚手架底部钢梁以及架体的特殊设置要求展开详细的拆解工作,而这些皆是在施工现场必须时刻密切留意的关键环节。
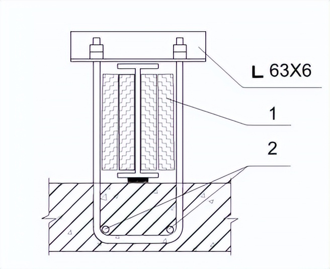
悬挑承力架的锚固要求

悬挑钢梁的尾端,得务必牢固地锚固于建筑主体结构之上。按照规范所要求的,尾端起码需要出于两处及更多的位置,把它固定于钢筋混凝土的梁或者楼板里。固定端一般会采用两个或者更多的U型钢筋拉环或者锚固螺栓,而针对它们而言呢,要将其与建筑结构梁板进行锁死呀。
确定锚固件布置时,有着明确的尺寸要求,其间距最好把控在150毫米至200毫米之间,而且锚固点距离钢梁的尾部不能小于200毫米,如此这般去做是为了保证有充足的锚固长度以及抗拔力,避免钢梁在受力之后从混凝土里被拔出来。

型钢与结构的连接细节
当运用螺栓以及钢压板来开展连接固定操作的时候,对于压板是有着具体的规格方面的要求的,这钢压板的尺寸是不能够小于宽度为100毫米而且厚度为10毫米的,目的在于确保能够有足够的受压面积以及刚度,要是锚固螺栓需要穿过主体结构的话,那么就一定得在接触面增添钢垫板。
这块额外添加的钢垫板,尺寸方面不能小于边长为 100 毫米的正方形,厚度这边同样不能小于 10 毫米。它所起到的作用是,将螺栓的紧固力进行分散,防止对混凝土结构的表面造成局部性的压损。在一些情形之下,比如说锚固在结构外侧的时候,会采用穿墙型或者侧埋型的螺栓锚固方式,钢梁依靠锚固螺栓以及钢垫板与主体实现紧密连接。

钢丝绳吊拉系统的设置
众多悬挑脚手架会布置钢丝绳当作额外的安全保障措施。用于拉结的吊环需要采用HPB300级别钢筋来制作,其直径不得小于20毫米。吊环预埋于混凝土里的锚固深度,一定要严格依照《混凝土结构设计规范》的国家标准 。

在悬挑的钢梁之上,跟钢丝绳相连接的吊点处于一个位置,这个且对于该位置,是需要专门去进行妥善处理一番这般情况的。一般而言,常常是需要去实施焊接U形的钢筋拉环这一相关操作之行为,或者是采用专用的连接耳板这一实际方式。而这些拉环以及耳板所具备的具体尺寸,还有它们焊缝的长度,并非能够凭借经验去进行决定,而是必须要经过专门的设计计算才可以进而确定下来以此得以保证其强度句号。
转角等特殊部位的处理

受力复杂、容易出问题的薄弱环节存在于建筑平面的转角处,型钢悬挑梁在此处必须进行单独的受力计算以及专项设置,当转角致使立杆下方无法直接设置主承力钢梁时,需采取特别的加固措施。
通常的做法,是去设置那种呈纵向状态的辅助钢梁,这一根纵向钢梁,推荐选用不小于10号规格的工字钢来使用,它跟主悬挑承力钢梁之间的固定连接,适宜采用可靠的螺栓连接方式,得确保力能够有效地进行传递,进而形成一个稳定的整体。

悬挑端的立杆定位与架空要求
具有外挑端部的悬挑钢梁那里,必定要设置起可靠作用的立杆定位点。该定位点是用来保证脚手架立杆以着精准的、稳固的状态立在钢梁之上,避免造成滑移情况。规范作出规定,定位点与悬挑梁端头之间的距离不可以比100毫米小。

若悬挑段架于阳台等建筑物自身的悬挑构件之上,支承点务必落在内部的结构主梁处。与此同时,要于锚固段的梁底设置钢垫板把悬挑梁架起,垫板数量不得少于2块,每块尺寸不小于长150毫米、宽100毫米、厚10毫米 。
剪刀撑等架体构造要求

设置于悬挑脚手架上半部分架体的剪刀撑,有着严格标准,其要求跟高度超过24米的落地式脚手架是一样的,即在外侧立面整个长度以及高度上,从底到顶要连续设置剪刀撑,这可是保证高大架体纵向稳定性的核心构造措施。
剪刀撑以外,悬挑式脚手架于连墙件设置方面,比落地式脚手架有更严格或特殊的要求,在作业层防护方面,同样比落地式脚手架有更严格或特殊的要求,在底层封闭等方面,也同样比落地式脚手架有更严格或特殊的要求。举例来说,其连墙件需要承受水平力,连墙件需要承受上拔力,连墙件的设置必须更为牢固可靠,连墙件通常需要与建筑结构中的预埋件直接连接 。

知晓了这般诸多有关悬挑脚手架底部锚固以及特殊构造相应的硬性要求,你认为于施工现场之中,哪一个环节最易于因疏忽大意或者贪图省事而出现问题呢,是锚固螺栓的安装事宜,还是转角部位的加固处理工作呢?欢迎于评论区去分享你的观察以及经验,要是觉得本文具备帮助作用,请点赞予以支持并且分享给更多有需求的同行 。

声明:本站所有内容均由网友自主上传发布,内容的真实性、合法性及版权归属均由上传网友负责,本站仅提供信息展示与传播平台。如若本站内容侵犯了原著者的合法权益,可联系本站删除。 。




