电脑桌面
添加签字123到电脑桌面
安装后可以在桌面快捷访问

SL634-2012水利水电工程单元工程施工质量验收评定标准——堤防工程().pdf

SL634-2012水利水电工程单元工程施工质量验收评定标准——堤防工程().pdf_第1页
1/55
SL634-2012水利水电工程单元工程施工质量验收评定标准——堤防工程().pdf_第2页
2/55
SL634-2012水利水电工程单元工程施工质量验收评定标准——堤防工程().pdf_第3页
3/55
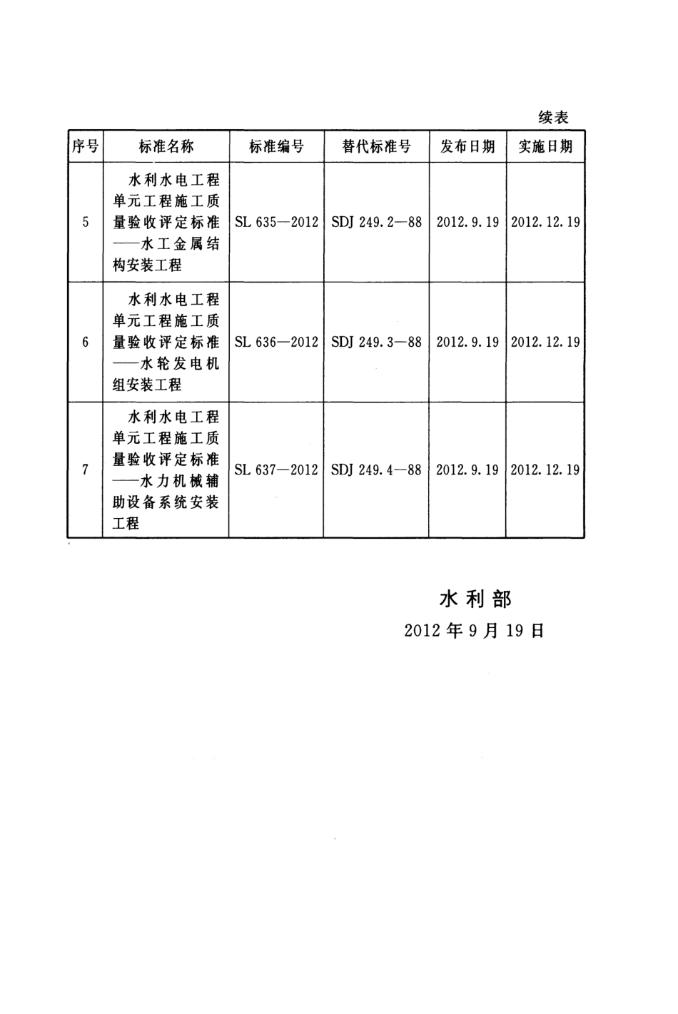
ICS 27.140 P 55 SL 中华人民共和国水利行业标准SL634-2012 替代 SL 239-1999 水利水电工程单元工程施工质量验收评定标准一一堤防工程Inspection and assessment standard for separated item project construction quality of water conservancy and hydroelectric engineering -Levee works 2012-09-19 发布2012-12-19 实施中华人民共和国水利部发布 weboos. com中华人民共和国水利部关于批准发布水利行业标准的公告2012 年第 57 号中华人民共和国水利部批准《水利水电工程单元工程施工质量验收评定标准一一土石方工程)) (SL 631-2012) 等七项标准为水利行业标准,现予以公布。序号标准名称标准编号替代标准号发布日期实施日期水利水电工程l 单元工程施工质SL 631-2012 SO] 249. 1-88 , 2012.9.19 2012. 12. 19 量验收评定标准SL 38-92 一一土石方工程水利水电工程2 单元工程施工质SL 632-2012 SO] 249. 1→邸,2012.9.19 2012.12.19 量验收评定标准SL 38-92 一一混凝土工程水利水电工程单元工程施工质3 量验收评定标准SL 633-2012 SO] 249. 1• 88 2012.9.19 2012.12.19 二→地基处理与基础工程水利水电工程4 单元工程施工质SL 634-2012 SL 239-1999 2012.9. 19 2012.12.19 量验收评定标准一←堤防工程 weboos. com续表序号标准名称标准编号替代标准号发布日期实施日期水利水电工程单元工程施工质5 量验收评定标准SL 635一 2012SDJ 249.2•88 2012.9.19 2012.12.19 一一水工金属结构安装工程水利水电工程单元工程施工质6 量验收评定标准SL 636-2012 SDJ 249. 3-88 2012.9.19 2012.12.19 一一水轮发电机组安装工程水利水电工程单元工程施工质7 量验收评定标准SL 637-2012 SDJ 249. 4-88 2012.9.19 2012.12.19 水力机械辅助设备系统安装工程水利部2012 年 9 月19日 weboos. com前根据水利部 2004 年水利行业标准制修订计划,按照《水利技术标准编写规定)) (SL 1-2002)的要求,修订《堤防工程施工质量评定与验收规程))(试行)(SL 239-1999) ,修订后的标准名称为《水利水电工程单元工程施工质量验收评定标准一一堤防工程》。本标准共 11 章 3 节 76 条 1 个附录,主要技术内容包括:一一本标准的适用范围;一一单元工程划分的原则以及划分的组织和程序;一一单元工程质量验收评定的组织、条件、方法;一一堤防工程施工质量检验项目、质量要求、检验方法和检验数量。本次修订的主要内容有:一一增加了术语;一一增加了基本规定。明确了验收评定的程序,强化了在验收评定中对施工过程检验资料、施工记录的要求;一一一增加堤身与建筑物结合部填筑、沉排护脚、石笼护坡、现浇混凝土护坡、模袋混凝土护坡、灌砌石护坡、植草护坡、防浪护堤林、河道疏渡等单元工程的施工质量验收评定标准;一一将原规程施工质量检验项目的"检查项目"和"检测项目",统一修订为"主控项目"和"一般项目";一一将原规程土料碾压筑堤、黠土防渗体填筑、砂质土堤堤坡堤顶填筑(包边盖顶)合并到土料碾压筑堤;护坡垫层、毛石粗排护坡、干砌石护坡、浆砌石护坡、混凝土预制块护坡合并到护坡工程;二一删减了工程项目划分、施工质量评定和工程验收 3 章。其中涉及分部工程和单位工程方面的内容并人《水利水 weboos. com电工程施工质量检验与评定规程))(SL 176← 2007) 、《水利水电建设工程验收规程)) (SL 223-2008)的相关章节中;涉及单元工程的内容并人本标准第 3 章以及相关章节的条文中;一一本标准不再列入砌石堤、混凝土防洪墙,验收评定时可分别参照《水利水电工程单元工程施工质量验收评定标准土石方工程>> (SL 631一 2012) 、《水利水电工程单元工程施工质量验收评定标准一一混凝土工程))(SL 632 2012); 一一删减了附录 A 、附录 C ,相关内容已纳入 SL 176-2007 和 SL 223-2008; 一一进行堤防工程施工质量验收评定时,本标准应与SL 176-2007 和 SL 223-2008 配套使用。本标准为全文推荐。本标准所替代标准的历次版本为:SL 239-1999 本标.

1、当您付费下载文档后,您只拥有了使用权限,并不意味着购买了版权,文档只能用于自身使用,不得用于其他商业用途(如 [转卖]进行直接盈利或[编辑后售卖]进行间接盈利)。
2、本站所有内容均由合作方或网友上传,本站不对文档的完整性、权威性及其观点立场正确性做任何保证或承诺!文档内容仅供研究参考,付费前请自行鉴别。
3、如文档内容存在违规,或者侵犯商业秘密、侵犯著作权等,请点击“违规举报”。

碎片内容

SL634-2012水利水电工程单元工程施工质量验收评定标准——堤防工程().pdf

确认删除?
vip会员
分享赚钱
搜索
关注微信
  • 签字123
回到顶部