电脑桌面
添加签字123到电脑桌面
安装后可以在桌面快捷访问

GBT10801.1-2002 绝热用模塑聚苯乙烯泡沫塑料.pdf

GBT10801.1-2002 绝热用模塑聚苯乙烯泡沫塑料.pdf_第1页
1/6
GBT10801.1-2002 绝热用模塑聚苯乙烯泡沫塑料.pdf_第2页
2/6
GBT10801.1-2002 绝热用模塑聚苯乙烯泡沫塑料.pdf_第3页
3/6
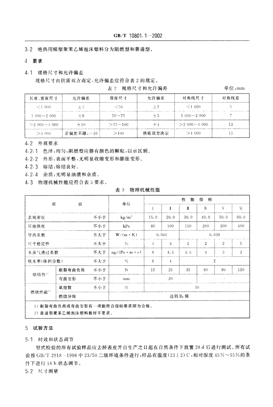
GB/ T 108012002前 _1 _八 口 本标准是对GB/T 10801一1989((隔热用聚苯乙烯泡沫塑料》的修订。 本标准在技术内容上主要参考1S()/CD 4898:1999《泡沫塑料 -一建筑绝热用硬质泡沫塑料》。根据用户需要将密度 30 kg/m' 以上再分为 40 kg/m' ,50 kg/m'', 60 kg/m' . 燃烧性能中增加燃烧分级的规定,与《建筑设计防火规范》、《建筑材料燃烧性能分级方法》等国家标准接轨。物理机械性能中的尺寸变化率、水蒸气透过系数、吸水率性能指标都比ISO)//CD 4898:1999((泡沫塑料—建筑绝热用硬质泡沫塑料》有所提高。 GB/"r 10801 是一个系列标准,包括以下两部分: 第 1 部分(即GB/'1' 10801. 1):绝热用模塑聚苯乙烯泡沫塑料; 第 2部分(即GB/T 10801. 2);绝热用挤塑聚苯乙烯泡沫塑料(XPS) a 本标准是该系列标准的第 1 部分。 本标准 自实施之 日起 ,原 〔;B/T 10801- - 1989( 隔热用聚苯乙烯泡沫塑料》废止。 本标准的附录 A 是提示的附录。 本标准由中国轻工业联合会提出。 本标准由全国塑料制品标准化技术委员会归G1 本标准起草单位 :北京北泡塑料集团公司、轻工业塑料加工应用研究所。 本标准主要起一草人:梁小平、王压、陈家琪、李洁涛。中 华 人 民 共 和 国 国 家 标 准GB/T 10801.1- 2002绝热用模塑聚苯乙烯泡沫塑料代替 GB/ T 10801 -.- 1989Moulded polystyrene foam board for thermal insulation范 围 本标准规定了绝热用模塑聚苯乙烯泡沫塑料板材的分类 、要求 、试验方法、检验规则和标志、包装、运输、贮存 。 本标准适用于可发性聚苯乙烯珠粒经加热预发泡后,在模具中加热成型而制得的具有闭孔结构的使用温度不超过 75C 的聚苯乙烯泡沫塑料板材 ,也适用于大块板材切割而成的材料。2引用标准 下列标准所包含的条文 ,通过在本标准中引用而构成为本标准的条文。本标准出版时 ,所示版本均为有效。所有标准都会被修订 ,使用本标准的各方应探 讨使用下列标准最新版本的可能性。 GB/T 2406- 1993塑料燃烧性能试验方法氧指数法(neq ISO 4589: 1984) GB/T 2918-- 1998塑料试样状态调节和试验的标准环境(idt ISO 291:1997) GB/T 6342--- 1996泡沫塑料与橡胶线性尺寸的测定((idt ISO 1923:1981 ) GB/T 6343- 1995泡沫塑料和橡胶表观(体积)密度的测定(neq ISO 845:'1988) GB 8624--- 1997建筑材料燃烧性能分级方法(neq DIN 4102:1981) GB/T 8810- 1988硬质泡沫塑料吸水率试验方法(eqv ISO 2896:1986) GB/T 8811--- 1988硬质泡沫塑料尺寸稳定性试验方法(eqv ISO 2796:1980) GB/T 8812---1988硬质泡沫塑料弯曲试验方法(idt ISO 1209:1976) GB/T 8813- 1988硬质泡沫塑料压缩试验方法(idt ISO 844:1978) GB/T 10294- 1988绝热材料稳态热阻及有关特性的测定防护热板法(idt ISO/DIS 8302:1986) GB/T 10295- --1988绝热材料稳态热阻及有关特性 的测定热流计法(idt ISO/DIS 8301:1987) QB/T 2411-- 1998硬质泡沫塑料水蒸气透过性能的测定3分类3. 1绝热用模塑聚苯乙烯泡沫塑料按密度分为 I 、a , lf , IV, V , VI类,其密度范围见表 to 表 1绝热用模塑聚苯乙烯泡沫塑料密度范围单位:kg/m'│类别│密 度 范 围 ││1 │>1 5 一 < 2 0 ││l │>2 0 一 咬 3 0 ││皿 │诊 3 0 -<10 ││洲 │二, 4 0 一 < 5 0 ││v │>5 0 一 < 6 0 ││ti t │) 6 0 │中华人 民共和 国国家质且监 督检验检疫 总局 2002 - 03- 05 批准2002 一09 一01 实施GB/T 10801.1一20023. 2绝热用模塑聚苯乙烯泡沫塑料分为阻燃型和普通型。4要求4. 1规格尺一寸和允许偏差 规格尺寸由供需双方商定,允许偏差应符合表 2 的规定。 表 2规格尺 寸和允许偏差单位 :mm长度 、宽度尺 寸 {允许偏差厚度尺j允许寸角线尺 寸对角线差。寸斗举一偏一2·5 0一7 5 士 3 十1供需双方决1 0 0 0 -- - 2 0 0 0一—-一-一 —一一>2 00 .

1、当您付费下载文档后,您只拥有了使用权限,并不意味着购买了版权,文档只能用于自身使用,不得用于其他商业用途(如 [转卖]进行直接盈利或[编辑后售卖]进行间接盈利)。
2、本站所有内容均由合作方或网友上传,本站不对文档的完整性、权威性及其观点立场正确性做任何保证或承诺!文档内容仅供研究参考,付费前请自行鉴别。
3、如文档内容存在违规,或者侵犯商业秘密、侵犯著作权等,请点击“违规举报”。

碎片内容

GBT10801.1-2002 绝热用模塑聚苯乙烯泡沫塑料.pdf

确认删除?
vip会员
分享赚钱
搜索
关注微信
  • 签字123
回到顶部