电脑桌面
添加签字123到电脑桌面
安装后可以在桌面快捷访问

GB4084-1999 自应力混凝土输水管.pdf

GB4084-1999 自应力混凝土输水管.pdf_第1页
1/15
GB4084-1999 自应力混凝土输水管.pdf_第2页
2/15
GB4084-1999 自应力混凝土输水管.pdf_第3页
3/15
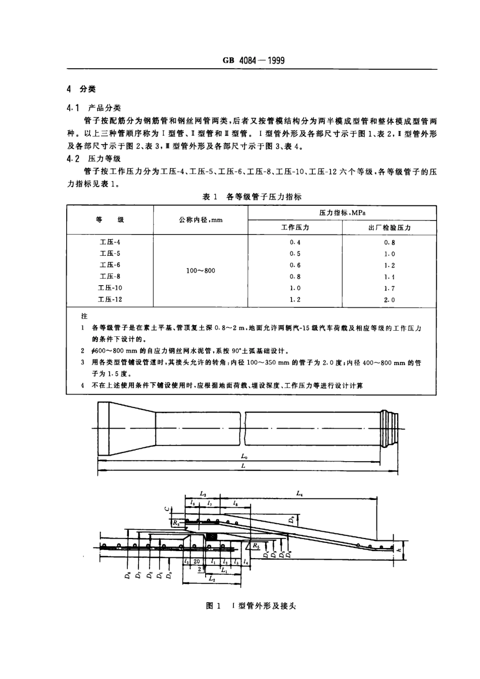
GB 4084-1999前 3本标准是在总结GB 4084— 1983《承插式自应力钢筋混凝土输水管》和 SL 11— 1990《喷灌用自应力 钢丝网水泥管》实施经验的基础上,经调,研究与试验验证后修订的。无国外同类产品标准可等效或等 同采用。本标准修订的主要内容:1 . 将自应力钢丝网水泥输水管纳人本标准;2. 增列了原材料的质量要求;3 . 根据产品的外观质量与尺寸偏差划分了产品质量等级;4 . 试验方法规定比较详细,有利于测试结果的准确与可比;5 . 制定了检验规则等。本标准附录 A 、附 录 B为标准的附录。本标准作为强制性国家标准实施。本标准自实施之日起,代 替 GB 4084— 1983,本标准由国家建筑材料工业局提出。本标准由全国水泥制品标准化技术委员会归口。本标准负责起草单位:中国建筑材料科学研究院水泥科学与新型建筑材料研究所、国家建筑材料工 业局苏州混凝土水泥制品研究院、国家建筑材料工业局标准化研究所。本标准参加起草单位:浙江新安江水泥制品厂、山东莱西水泥制品厂、浙江浙东水泥制品有限公司、 江苏盐城市自应力管有限公司、广西南宁水泥制品总厂、福建南平市水泥制品厂、江苏泰兴水泥制品厂、 南京市水泥制管厂、浙江省水泥制品厂、浙江临海水泥制品厂、河北石家庄市水泥制品厂、浙江湖州市浙 北水泥制管有限公司、南京市水泥制品机械厂、江苏江都华光水泥机械制造有限公司_、广东番禺市水泥 制品厂。本标准主要起草人:曹永康、周正 、杨斌、沈雅国、吴刚 、邱风雷、蔡仲林。本标准委托中国建筑材料科学研究院水泥科学与新型建筑材料研究所负责解释。本标准首次发布时间1984年 ,第一次修订时间1999年 。中 华 人 民 共 和 国 国 家 标 准自 应 力 混 凝 土 输 水 管 代替 GB 4084— 1983Self-stressing concrete pipe for waterGB 4084 — 19991范围本标准规定了自应力混凝土输水管产品的分类、规格尺寸、技术要求、试验方法、检验规则、标志、出 厂证明、运输、保管 、使用规定等内容。本标准适用于公称内径为100〜800 m m ,工 作 压 力 为 0. 4〜1. 2 M Pa,其接头采用圆形截面橡胶圈 密封的承插式自应力混凝土输水管。对管体和密封圈有腐蚀作用的水和土壤,应采取防护措施后方可铺设使用。若所需管子的规格、尺寸、工压、用途不属于本标准所列范围者,由供需双方协商解决。2引用标准下列标准所包含的条文,通过在本标准中引用而构成为本标准的条文。本标准出版时,所示版本均 为有效。所有标准都会被修订,使用本标准的各方应探讨使用下列标准最新版本的可能性。G B/T 176— 1 9 9 6 水泥化学分析方法G B /T 17671— 1 9 9 9 水泥胶砂强度检验方法(I S O 法)GB 8076— 1 9 9 7 混凝土外加剂G B/T 14684— 1993 建筑用砂G B/T 14685— 1 9 9 3 建筑用卵石、碎石G B/T 15345— 1 9 9 4 预应力混凝土输水管检验方法G B/T 16752— 1 9 9 7 混凝土和钢筋混凝土排水管试验方法JC /T 218— 1 9 9 5 自应力硅酸盐水泥JC /T 453— 1 9 9 2 ( 1 9 9 6 ) 自应力水泥物理检验方法JC 715— 1 9 9 6 自应力硫铝酸盐水泥JC /T 748— 1 9 8 7 ( 1 9 9 6 ) 预应力与自应力钢筋混凝土管用橡胶密封圈JC /T 749— 1 9 8 7 ( 1 9 9 6 ) 预应力与自应力钢筋混凝土管用橡胶密封圈试验方法JG J1 8 — 1 9 9 6 钢筋焊接及验收规程JG J1 9 — 1 9 9 2 冷拔钢丝预应力混凝土构件设计与施工规程JG J63— 1 9 8 9 混凝土拌合用水标准3定义利用自应力水泥膨胀力张拉钢筋或钢丝网而产生预应力的混凝土输水管,称为自应力混凝土输水 管 (以下简称管子)。国家质量技术监督局1999-07-30批准2000-02-01 实施g b 4 0 8 4 -1 9 9 94分类4. 1 产 品 分 类管 子 按 配 筋 分 为 钢 筋 管 和 钢 丝 网 管 两 类 ,后 者 又 按 管 模 结 构 分 为 两 半 模 成 型 管 和 整 体 模 成 型 管 两 种 。 以 上 三 种 管 顺.

1、当您付费下载文档后,您只拥有了使用权限,并不意味着购买了版权,文档只能用于自身使用,不得用于其他商业用途(如 [转卖]进行直接盈利或[编辑后售卖]进行间接盈利)。
2、本站所有内容均由合作方或网友上传,本站不对文档的完整性、权威性及其观点立场正确性做任何保证或承诺!文档内容仅供研究参考,付费前请自行鉴别。
3、如文档内容存在违规,或者侵犯商业秘密、侵犯著作权等,请点击“违规举报”。

碎片内容

GB4084-1999 自应力混凝土输水管.pdf

确认删除?
vip会员
分享赚钱
搜索
关注微信
  • 签字123
回到顶部